Ezen az oldalon megpróbálok összegyûjteni pár kapcsrajzot, ami az Ep-vel (így vagy úgy) kapcsolatos. Reményeim szerint egyre bõvül a kínálat... ;-)
(Köszönet ZozoSoft -nak (ill. ZozoHard -nak :-) ) a segítségért! )
| Az
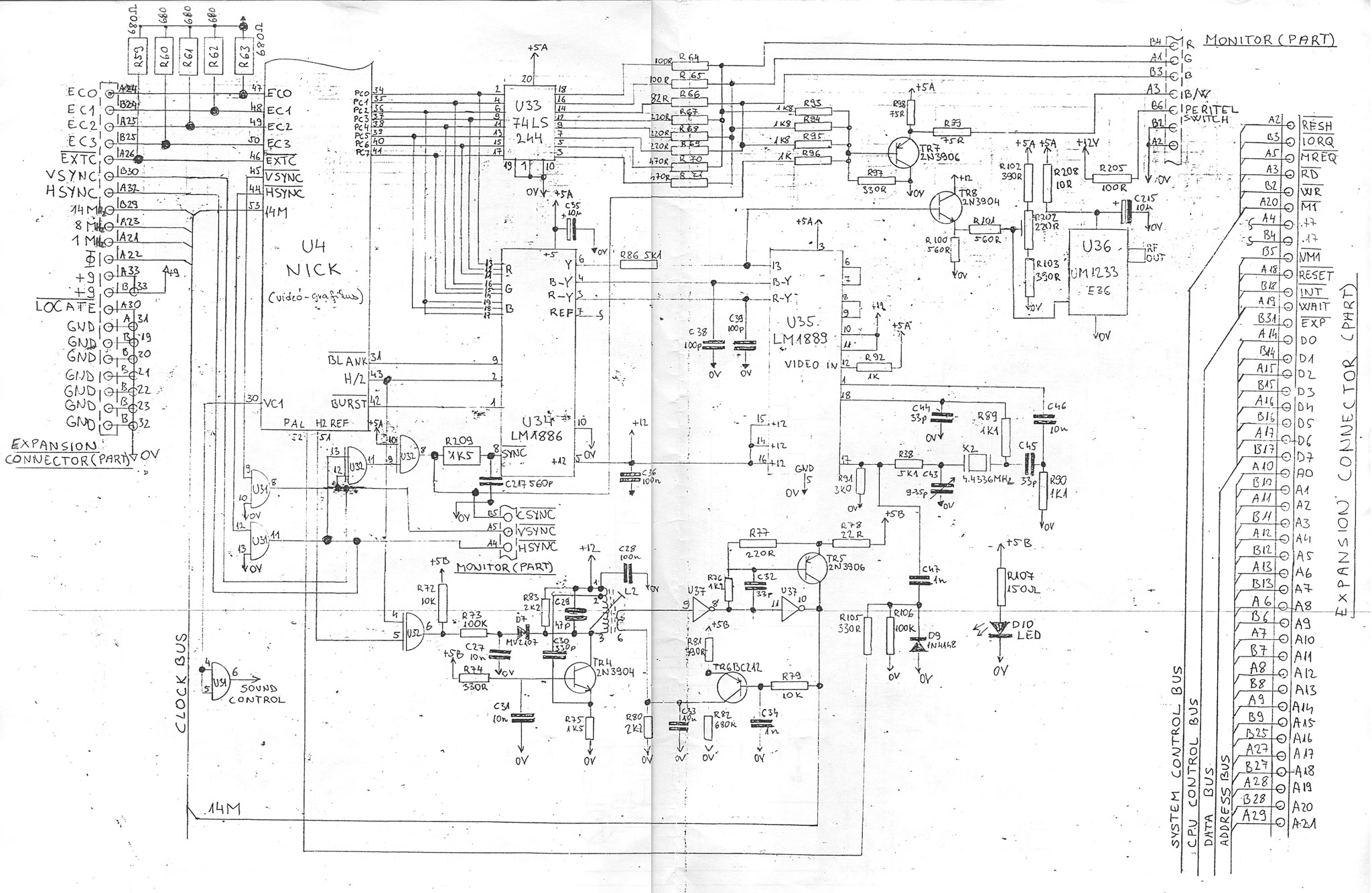
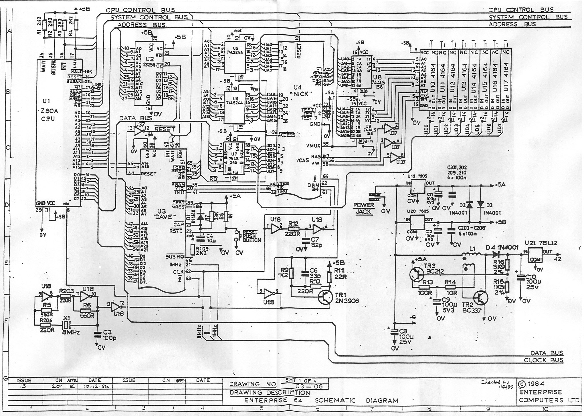
Enterprise gyári, eredeti kapcsolási rajzai :
|
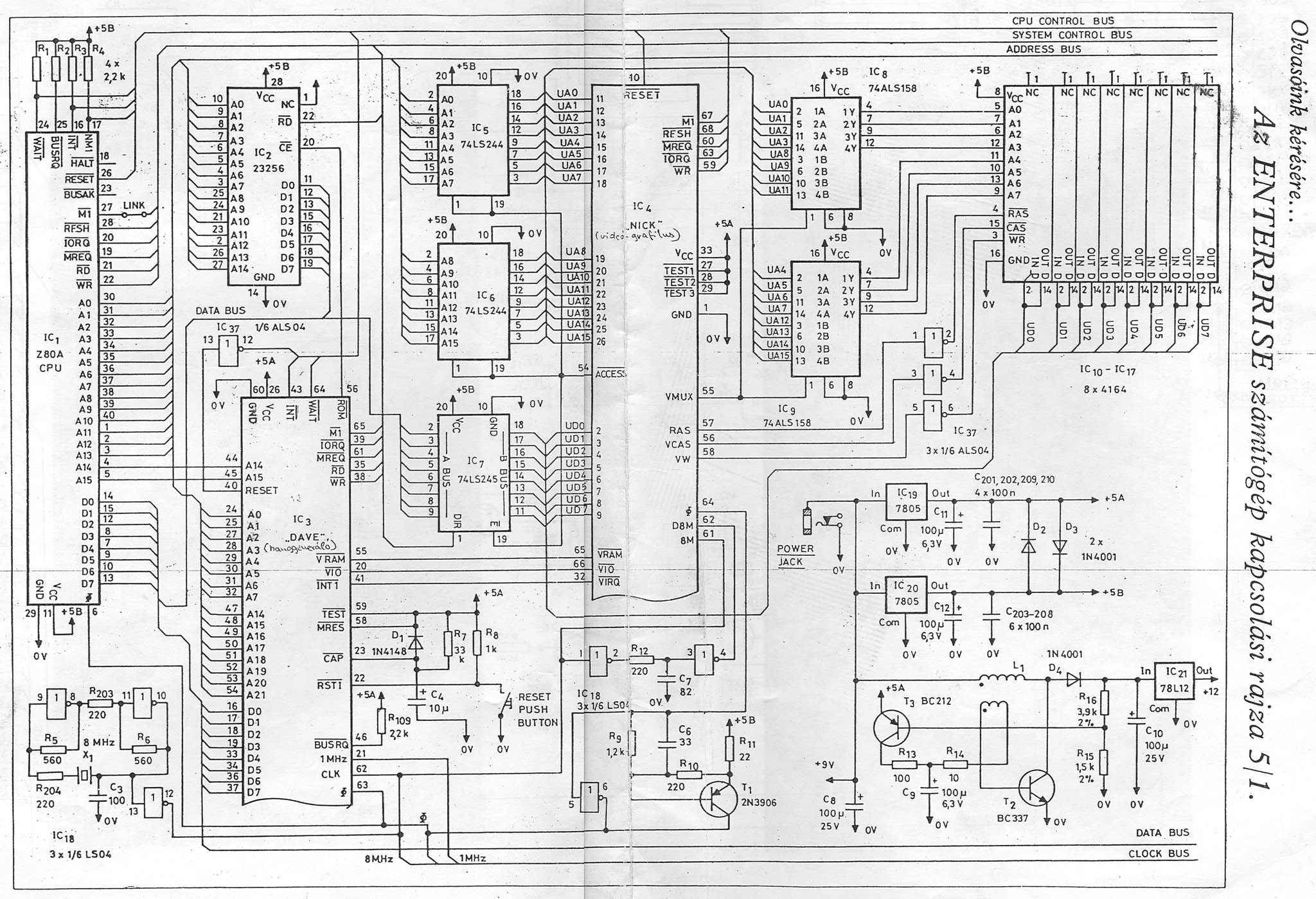
A
Rádiótechnika címû újságban anno
elkezdték leközölni az Enterprise kapcsrajzát,
(részletekben) de aztán "felsõbb dörgedelemre"
abbahagyták. :-( Ami megjelent :
1, 2 |
| Ami
már nem jelenhetett meg, az rajzolva terjedt a "nép között"...
:-) :
1 |
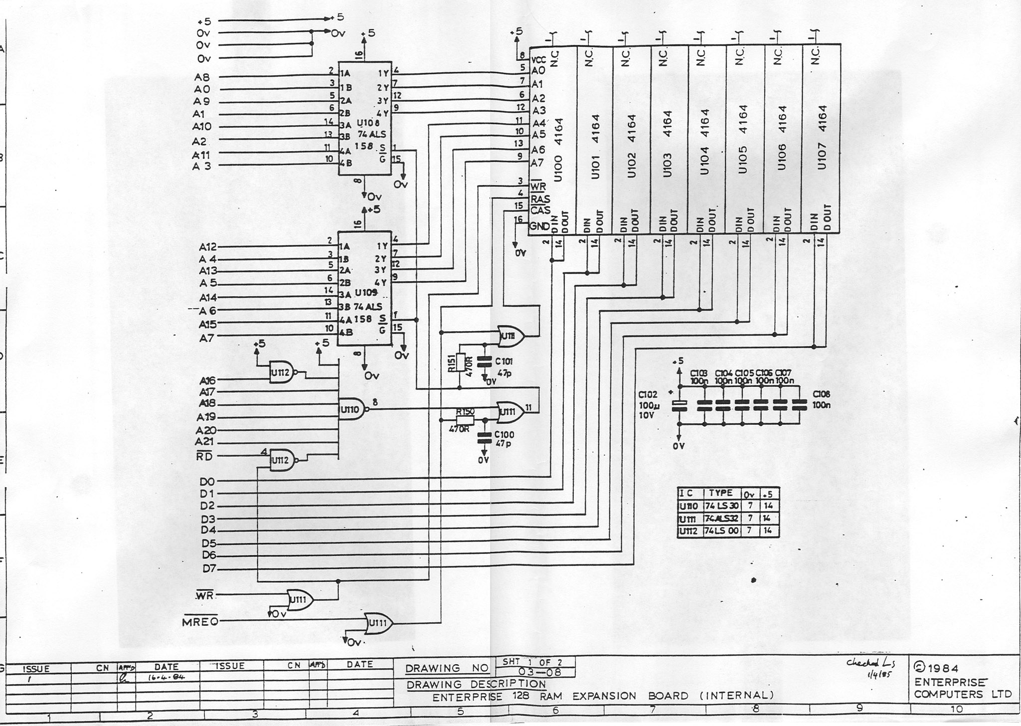
Folytatása,
ami már a felõs RAM panel rajzát is tartalmazza...
:
2 |
| Ez
utóbbi viszont már megvan gyári rajzban is... :-)
:
1 |
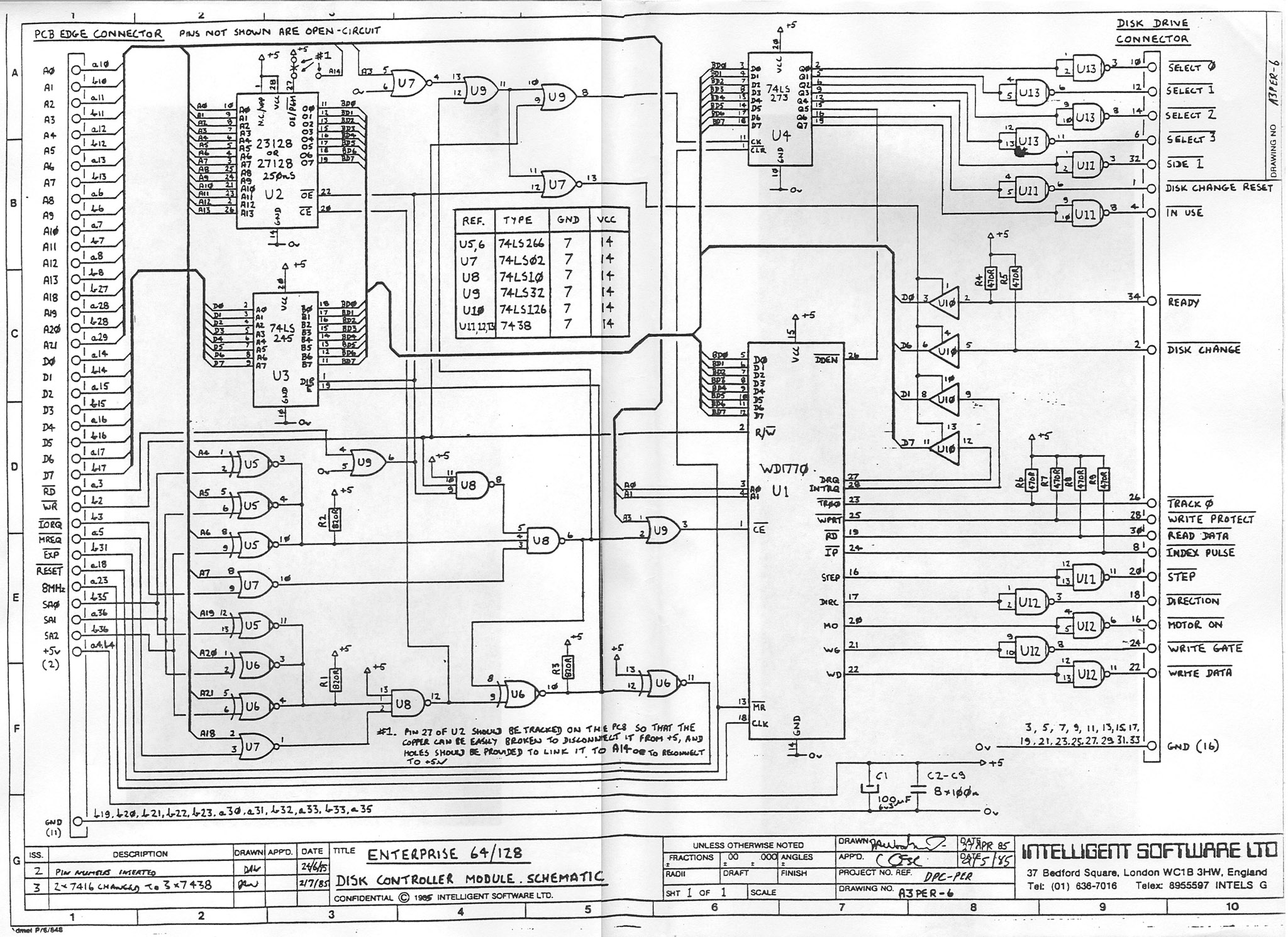
Az
eredeti EXDOS kártya rajza :
1 |
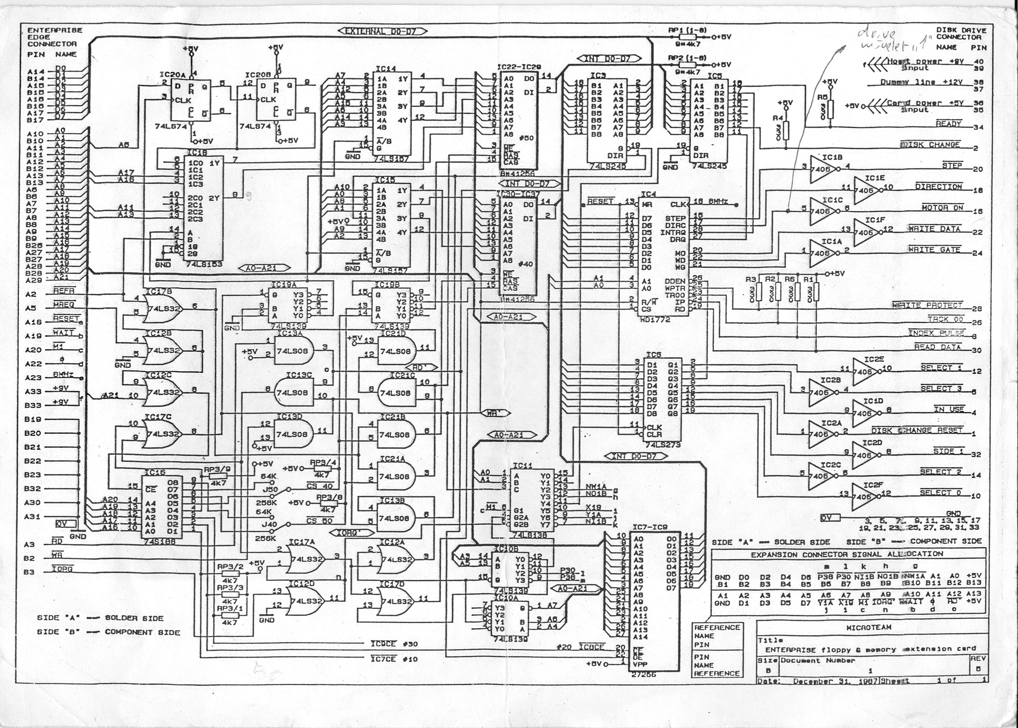
| A
Microteam
által fejlesztett, és készített EXDOS kártya
kapcsrajza (Faragó Gyula kártyái is "ilyenek" voltak)
:
1 |
Ehhez
egy "alkatrész elhelyezési" rajz... :
2 |